О Компании
Статьи
Акции
Доставка
Оплата
Наши магазины
Контакты
Войти
Регистрация
Гипермаркет сантехники и стройматериалов.
+7 (495)107 06 79
+7 (966)373 77 22
Пн - Вс. 9-00 до 21-00.
Сайт принимает заказы
КРУГЛОСУТОЧНО
Москва,
ул. Пронская дом 2
info@v-dd.ru
Каталог товаров
Сантехника
Электрика
Климат
Строительные материалы
Замки и петли
Метизы
Инструмент
Хозяйственные товары
Плафоны и абажуры
Блоки питания
Управление светом
Акции
Смесители
Смесители для ванны
Смесители для раковины
Смесители для кухни
Смесители для душа
Смесители для встраиваемых (скрытый) систем
Смесители с гигиеническим душем
Смесители для биде
Смесители с термостатом
Сенсорные смесители
Комплектующие к смесителям
Смесители для ванны на борт
Наборы для ванны
Душ
Душевые шланги
Комплектующие
Душевой гарнитур
Душевые лейки
Душевые системы
Душевые стойки
Гигиенический душ
Боковой душ
Душевая панель
Держатель для душа
Инженерная сантехника
Трубы и Фитинги
Запорная арматура
Коллекторы и коллекторные группы
Канализация
Радиаторы
Насосы
Утеплители и гофры
Баки мембранные
Инсталляция
Кнопки смыва
Бачки скрытого монтажа
Инсталляции для раковин
Инсталляции для писсуаров
Инсталляции для биде
Инсталляции для унитазов
Комплектующие для инсталляции
Система инсталляции
Санфаянс
Унитазы
Умывальники
Комплекты с унитазом
Писуары
Биде
Крышка-сиденье
Бачки, пьедестал и комплектуюшие для санфаянса
Мебель для ванной комнаты
Полки
Комплектующие
Комплекты мебели
Зеркала
Тумбы
Пеналы
Шкафы
Ванны
Каркасы, панели и т.д. комплектующие
Гидромассаж
Ванны стальные
Ванны чугунные
Ванны акриловые
Подголовники
Душевые кабины
Комплектующие к кабинам
Душевые кабины
Душевые поддоны
Душевые ограждения
Фильтры и системы очистки воды
Кувшины для очистки воды
Системы очистки воды
Фильтры
Магистральные фильтры
Вентиляция
Воздуховоды
Вентиляторы
Соеденители для воздуховодов
Решетки
Полотенцесушители
Водяные полотенцесушители
Электрические полотенцесушители
Комплектующие к полотенцесушители
Мойки
Измельчители и комплектующие
Мойки из искуственного камня
Мойки металлические
Сифоны и арматуры
Сифоны и гофры
Арматуры для унитаза
Донные клапаны
Гибкие подводки
Гибкие подводки для воды
Гибкие подводки для газа
Сливные и заливные шланги
Сантехнические люки
Под плитку
Напольные люки
Под покраску
Водонагреватели
Проточные
Бойлеры
Комплектующие к водонагревателям
Аксессуары для ванны и кухни
Аксессуары для кухни
Аксессуары для ванной комнаты
Расходные уплотнительные материалы
Средства герметизации резьбовых соединений
Манжеты и прокладки
Инструменты для сантехники
Лампочки
Накаливания
Светодиодные лампы
Галогенные лампы
Энергосберегающие лампы
Зеркальне лампы
Люминисцентные лампы
Светильники
Освещение для дома
Уличное освещение
Светодиодные
Аксессуары и комплектующие для освещения
для растений
Домофонные системы
Комплекты видеодомофонов
Мониторы видеодомофонов
Вызывные панели для видеодомофонов
Аксессуары
Стабилизаторы напряжения
Комплектующие для ЭУИ
Датчики движения
Звонки
Боксы модульные
Наконечники, гильзы
Трансформаторы
Зажимы
Изоленты
Индикаторы, тестеры напряжения
Комплектующие
Трубки
Тёплый пол
Провода
Автоматические выключатели
Розетки, выключатели
Светодиодные ленты и комплектующие
Удлинители
Колодки для удлинителей
Вилки электрические
Патроны электрические
Гофра электрическая
Разветвители электрические
Разное электрика
Кондиционеры
Увлажнители воздуха
Тепловые пушки
Сушилки для рук
Тепловой пол
Обогреватели
Конвекторы
Масляные радиаторы
Лакокрасочные материалы
Эмали
Лаки
Краски универсальные
Краски по металу
Краски по дереву
Колеры
Водные краски
Аэрозольные краски
Декоративные краски
Сухие смеси
Штукатурка
Шпаклевка
Сухие цементные смеси
Плиточный клей
Наливной пол
Алебастр, гипс
Пена, клеи, герметики
Герметики
Клеи
Пена
Жидкие гвозди
Гипсокартон
ЦСП
ГКЛВ
ГКЛ
Гипсоволокно
Профили
Уголки и маяки
Профили для ГКЛ
Затирка
Строительная химия (растворители)
Шпаклевка готовая
Грунтовка
Дверная фурнитура
Дверные ручки
Автоматические пороги
Броненакладки и пластины
Дверные упоры
Комплекты
Кронштейны
Механизмы секретности
Уплотнители
Фиксаторы и накладки
Глазки дверные
Дверные ручки-защелки (кнобы)
Дверные петли
Дверные задвижки
Другое
Ответные планки
Электромеханические замки
Врезные замки
Накладные замки
Доводчики
Цилиндры
Навесные замки
Саморезы
Глухари
По ГКЛ
ШУЖ
Болты
Гайки
Гвозди
Дюбели
Перфорация
Крючки
Сварочные материалы
Шайба
Шпилька резьбовая
Анкера
Электрический инструмент
Матрикс
Дрель
Перфоратор
Триммер аккум
ЛШМ
МШУ
Пылесос
Электрорубанок
Шуруповерты
Пила
Электролобзик
Фрезер
Интерскол
Минимойки
Строительно-отделочный инструмент
Кисти
Валики
Миксеры
Прочее
Шпатели
Пистолеты для герметика
Ключи
Головки торцевые
Ключи гаечные
Ключи разводные
Ключи разные
Сверла и буры
Буры и сверла по бетону
Сверла по металлу
Сверла по дереву
Сверла по плитке
Пистолеты для пены
Монтажные ленты
Измерительный инструмент
Отвертки
Слесарный инструмент
Степлеры и скобы
Стремянки
Режущий инструмент
Гладильные доски
Аромат для дома
Электрика
Лампочки
Накаливания
Светодиодные лампы
Галогенные лампы
Энергосберегающие лампы
Зеркальне лампы
Люминисцентные лампы
Светильники
Освещение для дома
Уличное освещение
Светодиодные
Аксессуары и комплектующие для освещения
для растений
Домофонные системы
Комплекты видеодомофонов
Мониторы видеодомофонов
Вызывные панели для видеодомофонов
Аксессуары
Тёплый пол
Стабилизаторы напряжения
Комплектующие для ЭУИ
Датчики движения
Звонки
Боксы модульные
Наконечники, гильзы
Трансформаторы
Зажимы
Изоленты
Индикаторы, тестеры напряжения
Комплектующие
Трубки
Провода
Автоматические выключатели
Розетки, выключатели
Светодиодные ленты и комплектующие
Удлинители
Колодки для удлинителей
Вилки электрические
Патроны электрические
Гофра электрическая
Разветвители электрические
Разное электрика
Климат
Кондиционеры
Увлажнители воздуха
Тепловые пушки
Сушилки для рук
Тепловой пол
Обогреватели
Конвекторы
Масляные радиаторы
Замки и петли
Дверная фурнитура
Дверные ручки
Автоматические пороги
Броненакладки и пластины
Дверные упоры
Комплекты
Кронштейны
Механизмы секретности
Уплотнители
Фиксаторы и накладки
Глазки дверные
Дверные ручки-защелки (кнобы)
Дверные петли
Врезные замки
Накладные замки
Доводчики
Цилиндры
Навесные замки
Дверные задвижки
Другое
Ответные планки
Электромеханические замки
Метизы
Саморезы
Глухари
По ГКЛ
ШУЖ
Болты
Гайки
Гвозди
Дюбели
Перфорация
Крючки
Сварочные материалы
Шайба
Шпилька резьбовая
Анкера
Хозяйственные товары
Гладильные доски
Аромат для дома
Плафоны и абажуры
Блоки питания
Управление светом
0
Избранное:
40 товар(ов)
Панель фронтальная для ванн AIMA DESIGN Grand Luxe 155x155см
5 650 руб.
Панель AIMA DESIGN Omega 180x180см (3 элемента)
16 100 руб.
Панель фронтальная для ванн AIMA DESIGN Love 185x135см L/R
8 630 руб.
Панель фронтальная для ванн AIMA DESIGN Taormina 180x90см
7 060 руб.
Панель фронтальная для ванн AIMA DESIGN Nega 170x95см
6 910 руб.
Панель фронтальная для ванн Jacob Delafon Evok 180X80 E6962RU-00
8 850 руб.
Панель фронтальная для ванн Jacob Delafon Sofa/ Spacio 170x75 E6008RU-01
7 180 руб.
Панель фронтальная для ванн Jacob Delafon Formilia E6D103RU-00
6 130 руб.
Обвязка для ванны Kaiser 8003 полуавтомат хром
6 160 руб.
Карниз для ванн AIMA DESIGN Love L/R 185х135см
3 754 руб.
Раковина для ванной напольная 49х49х82 WeltWasser Leerbach 4949 MT-BL 10000013337 черная матовая
48 300 руб.
Раковина для ванной напольная 47х47.5х83 WeltWasser Leerbach 4847 MT-BL 10000013339 черная матовая
54 900 руб.
Раковина для ванной напольная 47х47.5х83 WeltWasser Leerbach 4847 GL-WT 10000013338 белая глянцевая
35 700 руб.
Раковина для ванной напольная 46х46х82 WeltWasser Leerbach 460 MT-BL 10000013336 черная матовая
51 900 руб.
Раковина для ванной напольная 46х46х82 WeltWasser Leerbach 460 GL-WT 10000013335 белая глянцевая
33 500 руб.
Раковина для ванной напольная 46х45х97 WeltWasser Leerbach 4546 MT-BL 10000013341 черная матовая
52 700 руб.
Раковина для ванной напольная 46х45х97 WeltWasser Leerbach 4546 GL-WT 10000013340 белая глянцевая
34 300 руб.
Инсталляция для подвесного унитаза WeltWasser Bamberg 545 WT 10000013448 кнопка белый
14 200 руб.
Инсталляция для подвесного унитаза WeltWasser Bamberg 545 CR 10000013447 кнопка хром
14 200 руб.
Инсталляция для подвесного унитаза WeltWasser Bamberg 545 BL 10000013446 кнопка черная
14 200 руб.
Инсталляция для подвесного унитаза WeltWasser Bamberg 525 WT 10000013445 кнопка белая
14 200 руб.
Инсталляция для подвесного унитаза WeltWasser Bamberg 525 CR 10000013444 кнопка хром
14 200 руб.
Инсталляция для подвесного унитаза WeltWasser Bamberg 525 BL 10000013443 кнопка черная
14 200 руб.
Инсталляция для подвесного унитаза WeltWasser Bamberg 460 WT 10000013442 кнопка белая
12 700 руб.
Инсталляция для подвесного унитаза WeltWasser Bamberg 460 CR 10000013441 кнопка хром
12 700 руб.
Инсталляция для подвесного унитаза WeltWasser Bamberg 460 BL 10000013440 кнопка черная
12 700 руб.
Раковина для ванной напольная 38х38х83 WeltWasser Leerbach 3838 MT-BL 10000013333 черная матовая
28 200 руб.
Раковина для ванной напольная 48х42х83.5 WeltWasser Leerbach 4842 GL-WT 10000013332 белая глянцевая
22 300 руб.
Раковина для ванной напольная 34х34х83.5 WeltWasser Leerbach 3434 GL-WT 10000013331 белая глянцевая
14 500 руб.
Унитаз напольный компакт 82.5x61x36.5 WeltWasser Gelbach 011 ST MT-GR 10000012209 безободковый, с ми
33 600 руб.
Унитаз напольный компакт 80.5x62x36.5 WeltWasser Rotbach 011 GL-WT 10000012211 безободковый, с микро
23 500 руб.
Унитаз напольный компакт 84.5x62.5x39 WeltWasser Salzbach 001 GL-BL 10000011165 безободковый, с микр
24 400 руб.
Унитаз напольный компакт 88x67x39 WeltWasser Salzbach 011 XL GL-WT 10000013372 безободковый, с микро
27 300 руб.
Унитаз напольный компакт 82.5x61x36.5 WeltWasser Gelbach 001 ST GL-BL 10000011158 безободковый, с ми
24 400 руб.
Унитаз подвесной 36x54x37 WeltWasser Merzbach 043 XL GL-WT 10000013428 безободковый, с микролифтом,
18 100 руб.
Унитаз напольный компакт 82.5x62x34 WeltWasser Merzbach 011 MT-BL 10000013291 безободковый, с микрол
33 600 руб.
Унитаз подвесной 56х36х35 Grossman Color GR-4411blackS черный глянцевый
13 140 руб.
Унитаз подвесной 48.5х36х33 Grossman GR-4477MSQ белый матовый
15 280 руб.
Унитаз подвесной 49.5х36х39 Grossman GR-4455SQC белый глянцевый
15 820 руб.
Унитаз подвесной 48.5х36х33 Grossman GR-4477BMSQ черный матовый
13 400 руб.
0
Список сравниваемых элементов пуст.
0
Корзина:
0 товар(ов)
Корзина пуста
0
Личный кабинет
Каталог
Назад
Сантехника
Назад
Смесители
Назад
Смесители для ванны
Смесители для раковины
Смесители для кухни
Смесители для душа
Смесители для встраиваемых (скрытый) систем
Смесители с гигиеническим душем
Смесители для биде
Смесители с термостатом
Сенсорные смесители
Комплектующие к смесителям
Смесители для ванны на борт
Наборы для ванны
Душ
Назад
Душевые шланги
Назад
Шланговое подключение
Комплектующие
Душевой гарнитур
Душевые лейки
Душевые системы
Душевые стойки
Гигиенический душ
Боковой душ
Душевая панель
Держатель для душа
Инженерная сантехника
Назад
Трубы и Фитинги
Назад
Трубы и фитинги из сшитого полиэтилена
Назад
Фитинги для сшитого полиэтилена
Трубы из сшитого полиэтилена
Полипропиленовые трубы и фитинги
Назад
Полипропиленовые трубы
Полипропиленовые фитинги
Черные и оцинкование фитинги
Назад
Оцинковка
Черный металл
Металлопластиковые трубы и фитинги
Трубы и фитинги ПНД
Хомуты и штуцеры
Фитинги латунные
Фитинги хромированые
Запорная арматура
Назад
Защита от протечки воды
Назад
Системы контроля протечки воды
Назад
Gidrolock
Аквасторож
Neptun
Комплектующие
Назад
Neptun
Gidrolock
Аквасторож
Краны БУГАТТИ
Краны шаровые латунные
Регулирующая арматура
Измерительные приборы
Фильтры
Коллекторы и коллекторные группы
Назад
Коллекторные группы
Коллекторные шкафы
Коллекторы
Комплектующие к коллекторам
Канализация
Назад
Наружная канализация
Внутренняя канализация
Радиаторы
Назад
Комплектующие к радиаторам
Радиаторы
Насосы
Утеплители и гофры
Баки мембранные
Инсталляция
Назад
Кнопки смыва
Бачки скрытого монтажа
Инсталляции для раковин
Инсталляции для писсуаров
Инсталляции для биде
Инсталляции для унитазов
Комплектующие для инсталляции
Система инсталляции
Санфаянс
Назад
Унитазы
Умывальники
Комплекты с унитазом
Писуары
Биде
Крышка-сиденье
Бачки, пьедестал и комплектуюшие для санфаянса
Мебель для ванной комнаты
Назад
Полки
Комплектующие
Комплекты мебели
Зеркала
Тумбы
Пеналы
Шкафы
Ванны
Назад
Каркасы, панели и т.д. комплектующие
Назад
Шторка
Сиденье для ванны
Каркасы и ножки для ванной
Экраны для ванны
Карнизы для ванны
Гидромассаж
Назад
Дополнительные опции
Назад
Донный масаж
Дополнительные
Масаж спины и ног
Назад
Массаж спины
Массаж ног
Системы Гидромассажа
Хромотерапия
Ванны стальные
Ванны чугунные
Ванны акриловые
Подголовники
Душевые кабины
Назад
Комплектующие к кабинам
Душевые кабины
Душевые поддоны
Душевые ограждения
Фильтры и системы очистки воды
Назад
Кувшины для очистки воды
Системы очистки воды
Фильтры
Магистральные фильтры
Вентиляция
Назад
Воздуховоды
Вентиляторы
Соеденители для воздуховодов
Решетки
Полотенцесушители
Назад
Водяные полотенцесушители
Электрические полотенцесушители
Комплектующие к полотенцесушители
Мойки
Назад
Измельчители и комплектующие
Мойки из искуственного камня
Мойки металлические
Сифоны и арматуры
Назад
Сифоны и гофры
Арматуры для унитаза
Донные клапаны
Гибкие подводки
Назад
Гибкие подводки для воды
Гибкие подводки для газа
Сливные и заливные шланги
Сантехнические люки
Назад
Под плитку
Назад
Контур
Евроформат АТР
Евроформат ЕТР
Евроформат ЕСКР
Формат КН
Формат МН
Напольные люки
Назад
Барьер 2
Портал
Под покраску
Назад
Планшет Короб
Водонагреватели
Назад
Проточные
Бойлеры
Комплектующие к водонагревателям
Аксессуары для ванны и кухни
Назад
Аксессуары для кухни
Назад
Ведра
Аксессуары для ванной комнаты
Назад
Коврики
Расходные уплотнительные материалы
Назад
Средства герметизации резьбовых соединений
Манжеты и прокладки
Инструменты для сантехники
Электрика
Назад
Лампочки
Назад
Накаливания
Светодиодные лампы
Галогенные лампы
Энергосберегающие лампы
Зеркальне лампы
Люминисцентные лампы
Светильники
Назад
Освещение для дома
Назад
Люстры
Назад
Потолочные люстры
Подвесные люстры
Трековые светильники
Назад
Шинопроводы
Комплектующие
Потолочные светильники
Назад
Накладные
Настенные светильники
Назад
Бра
Подвесные люстры
Настольные лампы
Напольные светильники
Подвесные светильники
Споты
Встраиваемые светильники
Светильники мебельные
Гирлянды
Подсветка интерьерная
Уличное освещение
Назад
Подсветка архитектурная
Уличные фонари
Комплектующие
Светодиодные
Аксессуары и комплектующие для освещения
для растений
Домофонные системы
Назад
Комплекты видеодомофонов
Мониторы видеодомофонов
Вызывные панели для видеодомофонов
Аксессуары
Тёплый пол
Стабилизаторы напряжения
Комплектующие для ЭУИ
Датчики движения
Звонки
Боксы модульные
Наконечники, гильзы
Трансформаторы
Зажимы
Изоленты
Индикаторы, тестеры напряжения
Комплектующие
Трубки
Провода
Автоматические выключатели
Розетки, выключатели
Светодиодные ленты и комплектующие
Удлинители
Колодки для удлинителей
Вилки электрические
Патроны электрические
Гофра электрическая
Разветвители электрические
Разное электрика
Климат
Назад
Кондиционеры
Увлажнители воздуха
Тепловые пушки
Сушилки для рук
Тепловой пол
Обогреватели
Конвекторы
Масляные радиаторы
Строительные материалы
Назад
Лакокрасочные материалы
Назад
Эмали
Лаки
Краски универсальные
Краски по металу
Краски по дереву
Колеры
Водные краски
Аэрозольные краски
Декоративные краски
Сухие смеси
Назад
Штукатурка
Шпаклевка
Сухие цементные смеси
Плиточный клей
Наливной пол
Алебастр, гипс
Пена, клеи, герметики
Назад
Герметики
Назад
Силиконовые герметики
Акриловые герметики
Нейтральные Герметики
Клеи
Пена
Жидкие гвозди
Гипсокартон
Назад
ЦСП
ГКЛВ
ГКЛ
Гипсоволокно
Профили
Назад
Уголки и маяки
Профили для ГКЛ
Затирка
Строительная химия (растворители)
Шпаклевка готовая
Грунтовка
Замки и петли
Назад
Дверная фурнитура
Назад
Дверные ручки
Назад
Квадраты для ручек
Автоматические пороги
Броненакладки и пластины
Дверные упоры
Комплекты
Кронштейны
Механизмы секретности
Уплотнители
Фиксаторы и накладки
Глазки дверные
Дверные ручки-защелки (кнобы)
Дверные петли
Врезные замки
Накладные замки
Доводчики
Цилиндры
Навесные замки
Дверные задвижки
Другое
Ответные планки
Электромеханические замки
Метизы
Назад
Саморезы
Назад
Глухари
По ГКЛ
ШУЖ
Болты
Гайки
Гвозди
Дюбели
Перфорация
Крючки
Сварочные материалы
Шайба
Шпилька резьбовая
Анкера
Инструмент
Назад
Электрический инструмент
Назад
Матрикс
Дрель
Перфоратор
Триммер аккум
ЛШМ
МШУ
Пылесос
Электрорубанок
Шуруповерты
Пила
Электролобзик
Фрезер
Интерскол
Минимойки
Строительно-отделочный инструмент
Назад
Кисти
Валики
Миксеры
Прочее
Шпатели
Пистолеты для герметика
Ключи
Назад
Головки торцевые
Ключи гаечные
Ключи разводные
Ключи разные
Сверла и буры
Назад
Буры и сверла по бетону
Сверла по металлу
Сверла по дереву
Сверла по плитке
Измерительный инструмент
Отвертки
Слесарный инструмент
Степлеры и скобы
Стремянки
Режущий инструмент
Пистолеты для пены
Монтажные ленты
Хозяйственные товары
Назад
Гладильные доски
Аромат для дома
Плафоны и абажуры
Блоки питания
Управление светом
О Компании
Статьи
Акции
Доставка
Оплата
Наши магазины
Контакты
+7 (495)107 06 79
+7 (966)373 77 22
Москва,
ул. Пронская дом 2
info@v-dd.ru
Главная
Каталог
Сантехника
Сифоны и арматуры
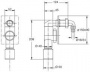
Cифон для стиральной и посудомоечной машины под штукатурку Bonomini 3200IX50B9WZ
Нет в наличии
Cифон для стиральной и посудомоечной машины под штукатурку Bonomini 3200IX50B9WZ
Cифон для стиральной и посудомоечной машины под штукатурку Bonomini 3200IX50B9WZ
Артикул:
0У-00028419
Cифон для стиральной и посудомоечной машины под штукатурку Bonomini 3200IX50B9WZ
507 руб.
В наличии:
нет
Бренд
Bonomini
Ширина, см
5.2
Высота, см
20.8
Цвет
белый, хром
Вес, кг (в упаковке)
0.27
Все характеристики
Количество:
Доставка:
по Москве 290 руб.
Доставим:
от 1 до 3 дней
Самовывоз:
Бесплатно / от 1 до 3 дней
Рассчитать доставку
Сообщить о наличии
Характеристики
Cифон для стиральной и посудомоечной машины под штукатурку Bonomini 3200IX50B9WZ
Бренд
Bonomini
Ширина, см
5.2
Высота, см
20.8
Цвет
белый, хром
Вес, кг (в упаковке)
0.27
Страна производитель
Италия
Габариты в упаковке,см (ШxДxГ)
35/26/7
Серия/Коллекция
Criollo
Гарантия производителя
2 года
Диаметр слива, см
2861
Длина, см
12.4
Расчет доставки
Откуда
Куда
Забрать груз у отправителя
Пометьте этот пункт если Интернет магазин не доставляет товар до терминала транспортной компании.
Вес, кг
Ширина
Высота
Длина
Объем, м
3
Доставка до дверей
Обратите внимание у каждой компании могут быть свои условия доставки до дверей.
Страхование
Если вам требуется страховка груза, то поставьте галочку.
Обрешетка
Если вам требуется жесткая упаковка груза, то поставьте галочку.
ТК «ПЭК»
Москва - Брянск
1548 руб.
+ страховка -
50 руб.
+ обрешетка -
600 руб.
Доставка
300 руб.
Общая сумма:
1598 руб.
Ожидаем ответа ...
Экспресс заказ
Текст ошибки
Ваше имя *
Телефон *
Адрес доставки
ПОДПИШИТЕСЬ НА НАШИ НОВОСТИ
Вы будете первым узнавать о наших акциях и новинках, а также получать бонусы при покупках.
×